SP2705F
是一款性能優異的原邊反饋控制電路,應用于輸出功率在5W以下的低成本小功率AC/DC充電器與適配器。
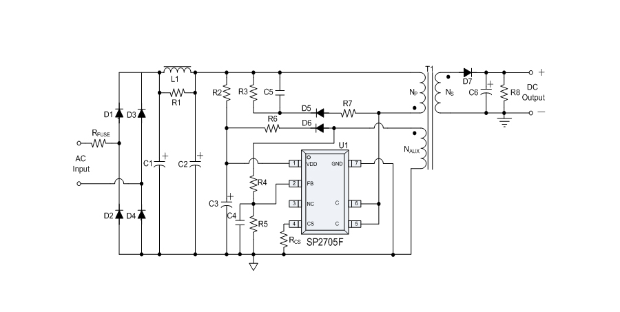
SP2705F是一款性能優異的原邊反饋控制電路,應用于輸出功率在5W以下的低成本小功率AC/DC充電器與適配器。
SP2705F非常適合低成本應用方案,內置環路補償,無需外置補償電容;采用原邊反饋控制,無需光耦和TL431。
SP2705F具有精準的恒壓、恒流控制功能,在恒流模式下,輸出電流可由CS引腳外接的采樣電阻RCS設定。在恒壓模式下,芯片具有多種工作模式,可以保證較高的轉換效率。集成輸出線纜壓降補償功能實現良好的負載調節。在恒流模式下,工作于PFM狀態,在恒壓 模式下,工作于PWM+PFM+QR狀態,輕載時工作在PFM模式,實現芯片待機功耗小于75mW,滿足嚴苛的歐盟CoC V5能效標準。
SP2705F提供多種保護功能,包括逐周期限流保護(OCP),VDD過壓保護,VDD欠壓保護(UVLO),VDD過壓鉗位保護,交流輸入欠壓保護(Brown-out),交流輸入過壓保護(Line-OVP),輸出電壓啟動過沖保護,輸出短路保護,過溫保護(OTP)保護等。
SP2705F采用SOP7無鉛封裝。
● 原邊反饋控制,無需光耦與TL431
● 內置800V BJT功率管,適應高電網電壓使用環境
● 全電壓范圍內±5%的恒壓和恒流精度
● 待機功耗低于75mW,滿足六級能效標準
● PWM+PFM多模式工作,集成QR準諧振功能,提高轉換效率
● 集成交流輸入欠壓保護和過壓保護功能
● 在恒壓模式下,集成輸出線纜壓降補償功能
● 內置環路補償,不需要外置補償電容
● 集成全面的保護功能:VDD過壓保護、VDD過壓鉗位保護,VDD欠壓保護、逐周期限流保護、輸入電壓過壓/欠壓保護、輸出短路保護、輸出電壓啟動過沖保護、過溫保護。
● 手機充電器,機頂盒電源,電池充電器
● 小功率電源適配器
● 替代線性電源
