SP5610
是一顆高精度離線式開關電源電路,應用于低功耗AC/DC充電器與適配器。
詳細介紹
文檔與工具
樣品及購買
SP5610是一顆高精度離線式開關電源電路,應用于低功耗AC/DC充電器與適配器。SP5610使用原邊取樣來進行精確的恒流、恒壓控制,可以省去一般應用中的光耦與TL431。
在恒流模式下,輸出功率可由CS腳外接的取樣電阻Rs設定。在恒壓模式下,芯片的多種工作模式可以保證較高的整體轉換效率。此外,芯片內置有線壓降補償,由此取得良好的負載調整率。SP5610在恒流模式下工作于PFM狀態,在恒壓模式下工作于PWM狀態,輕載時降頻工作。
SP5610提供上電軟啟動功能與各種可自恢復的保護功能,包括逐周期限流保護(OCP),VDD過壓保護(OVP),VDD過壓箝位,欠壓保護(UVLO),過溫保護等。SP5610具有的抖頻功能,可以提供更好的EMI性能。
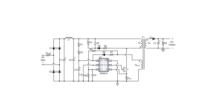
典型應用框圖
應用
● 全電壓范圍內5%的恒壓精度、5%的恒流精度
● 使用原邊反饋控制,可省去光耦與TL431
● 外部可設定恒流值與輸出功率
● 內置原邊反饋恒流控制
● 內建自適應峰值電流控制
● 內建原邊電感補償
● 可外部調整的線壓降補償
● 上電軟啟動
● 內置前沿消隱(LEB)功能
● 逐周期限流保護(OCP)
● 欠壓保護(UVLO)、過壓保護(OVP)、VDD電壓箝位保護
● 過溫保護
● SOT23-6封裝
● 手機充電器
● PDA、數碼相機充電器
● 電視、個人電腦的輔助電源
● 可替代線性穩壓器、RCC電源
樣品及購買
樣片申請
推薦產品
